How to use external Interrupts on 8051
This is a supporting blog post for a video tutorial on how to use external interrupts on 8051 microcontroller.
This post consists of required code, documents and any support material to support the learning following the video.
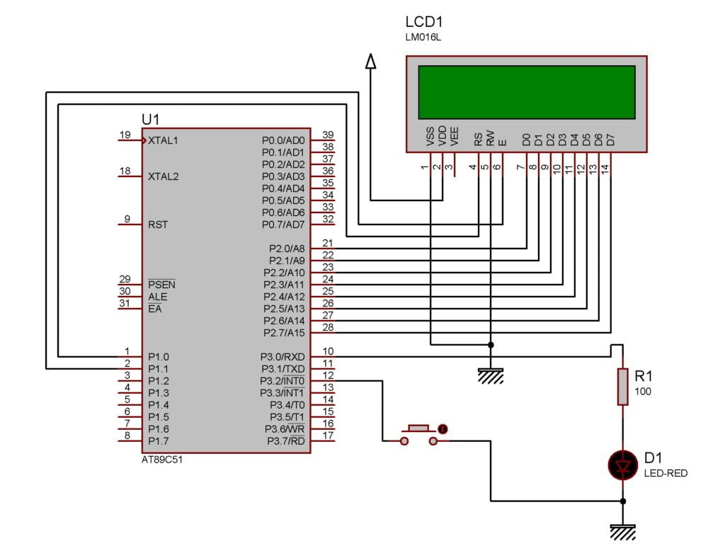
Circuit Diagram of how to use external interrupts on 8051 Microcontroller
C Code of how to use external interrupts on 8051 Microcontroller
#include<reg51.h>
sbit led=P3^0; //connect one led to p1.0
sbit rs = P1^0;
sbit en = P1^1;
// copy paste this in every code
void delay(unsigned int count)
{
unsigned int i;
while(count)
{
i = 115;
while(i > 0)
i--;
count--;
}
}
void lcd_data(unsigned char abc)
{
rs = 1;
P2 = abc;
en = 1;
delay(50);
en = 0;
}
void lcd_cmd(unsigned char abc)
{
rs = 0;
P2 = abc;
en = 1;
delay(50);
en = 0;
}
void lcd_init()
{
lcd_cmd(0x38); //LCD 4-bit mode and 2 lines.
lcd_cmd(0x01);
lcd_cmd(0x06);
lcd_cmd(0x0E);
lcd_cmd(0x80);
lcd_cmd(0x0C);
}
void lcd_clear()
{
lcd_cmd(0x01);
}
void lcd_cursor(char row, char column)
{
switch (row)
{
case 1: lcd_cmd(0x80 + column - 1); break;
case 2: lcd_cmd(0xc0 + column - 1); break;
case 3: lcd_cmd(0x94 + column - 1); break;
case 4: lcd_cmd(0xd4 + column - 1); break;
default: break;
}
}
void lcd_out(char row, char column, char *str)// lcd_out(1,1,451);
{
lcd_cursor(row, column);
while(*str != '\0')
{
lcd_data(*str);
str++;
}
}
void lcd_print(char row, char coloumn, unsigned int value, int digits)
{
unsigned int temp;
unsigned int unit;
unsigned int tens;
unsigned int hundred;
unsigned int thousand;
unsigned int million;
unsigned char flag=0;
if(row==0||coloumn==0)
{
lcd_cmd(0x80);
}
else
{
lcd_cursor(row,coloumn);
}
if(digits==5 || flag==1)
{
million=value/10000+48;
lcd_data(million);
flag=1;
}
if(digits==4 || flag==1)
{
temp = value/1000;
thousand = temp%10 + 48;
lcd_data(thousand);
flag=1;
}
if(digits==3 || flag==1)
{
temp = value/100;
hundred = temp%10 + 48;
lcd_data(hundred);
flag=1;
}
if(digits==2 || flag==1)
{
temp = value/10;
tens = temp%10 + 48;
lcd_data(tens);
flag=1;
}
if(digits==1 || flag==1)
{
unit = value%10 + 48;
lcd_data(unit);
}
if(digits>5)
{
lcd_data('E');
}
}
void main()
{
int count = 0;
led = 0;
lcd_init();
lcd_out(1,1,"Interrupts Demo");
delay(1000);
lcd_clear();
EA = 1;
EX0 = 1;
IT0 = 1;
while(1)
{
lcd_out(1,1,"Seconds:");
lcd_print(2,1,count,4); // 0035
count++;
delay(1000);
}
}
/*********************************************************/
void ISR_ex0(void) interrupt 0 // ISR for external interrupt INT0
{
led = ~led;
// NEVER USE DELAY ROUTINE in INTERRUPT
}The post How to use external Interrupts on 8051 appeared first on Kitflix.


